
曼彻斯特编码详解
密码学中的曼彻斯特编码:原理、应用与图形解析
在数字通信和密码学领域,编码方式的选择直接影响数据传输的可靠性与安全性。曼彻斯特编码作为一种具有自同步特性的编码技术,在众多场景中发挥着关键作用。本文将从多个维度深入剖析曼彻斯特编码,包括其基本原理、编码规则、波形绘制、应用场景及优缺点分析,帮助读者全面理解这一重要的编码技术。
一、曼彻斯特编码的基本概念与原理
曼彻斯特编码是一种同步时钟编码技术,其核心特点是 在每个比特周期的中间位置产生一次电平跳变。这种跳变既用于表示数据,又起到了 时钟同步的作用,使得接收端无需额外的时钟信号就能准确地解析数据,这就是其 “自同步” 特性 的体现。
从原理上讲,曼彻斯特编码通过电平的跳变方向来表示二进制数据。通常有两种定义方式:
一种是由高电平向低电平的跳变表示逻辑 “1”,由低电平向高电平的跳变表示逻辑 “0”;
另一种定义则与之相反,由高电平向低电平的跳变表示逻辑 “0”,由低电平向高电平的跳变表示逻辑 “1”。
在实际应用中,具体的定义会根据不同的标准和场景有所调整,但无论哪种定义,中间跳变的本质特征是不变的。
这种编码方式的诞生源于对数据传输中同步问题的解决需求。在早期的数字通信中,发送端和接收端的时钟同步是一个棘手的问题,而曼彻斯特编码通过将时钟信息嵌入到数据信号本身,巧妙地解决了这一难题。
二、曼彻斯特编码的编码规则详解
(一)标准曼彻斯特编码规则
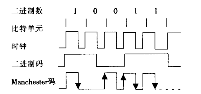
在标准的曼彻斯特编码中,一个比特的持续时间被称为一个码元周期。对于逻辑 “1”,其编码规则是在码元周期的前半部分为高电平,后半部分跳变为低电平,即从高到低的跳变发生在周期中间;对于逻辑 “0”,则是前半部分为低电平,后半部分跳变为高电平,即从低到高的跳变发生在周期中间。
例如,要传输二进制序列 “10110”,按照标准曼彻斯特编码规则,每个比特都会在中间产生相应的跳变。具体来说,第一个 “1” 表现为前高后低,第二个 “0” 表现为前低后高,第三个 “1” 前高后低,第四个 “1” 前高后低,第五个 “0” 前低后高。
(二)IEEE 曼彻斯特编码规则
IEEE 曼彻斯特编码本质上遵循标准曼彻斯特编码的基本原理,即每个比特周期中间都有电平跳变来实现时钟同步和数据表示。但 IEEE 对其进行了标准化,明确规定了跳变方向与逻辑值的对应关系,这使得不同设备在遵循 IEEE 标准进行通信时能够保持一致,确保了以太网等网络环境中数据传输的准确性和兼容性。
在 IEEE 曼彻斯特编码里,每个比特周期会被均分为两个相等的时间段。和标准曼彻斯特编码类似,它也是依靠电平在比特周期中间的跳变来表示二进制数据,不过它有明确统一的定义。具体而言,由高电平向低电平的跳变代表逻辑 “1”,由低电平向高电平的跳变代表逻辑 “0”。
(三)差分曼彻斯特编码规则
除了标准曼彻斯特编码,还有一种差分曼彻斯特编码。它的编码规则与标准形式有所不同,其数据的表示不是基于跳变的方向,而是基于是否存在跳变。在差分曼彻斯特编码中,码元周期的中间始终会有一次跳变,这用于时钟同步。
而逻辑 “0” 和 “1” 的区别在于:在比特周期开始时是否有电平跳变。如果在比特周期开始时有电平跳变,则表示逻辑 “0”;如果没有开始跳变,则表示逻辑 “1”。
例如,对于二进制序列 “10110”,差分曼彻斯特编码会在每个比特中间产生跳变,同时根据开始是否跳变来表示数据。这种编码方式在一定程度上提高了抗干扰能力,因为它关注的是跳变的有无,而不是方向,减少了因噪声导致方向判断错误的可能性。
三、曼彻斯特编码&解码流程详解
(一)曼彻斯特编码
- 输入信号:二进制待编码信号(单个比特,如1或0)。
- 编码逻辑:
- 比特1:选择 10 信号(前半周期高电平,后半周期低电平),对应曼彻斯特编码的“1”(高→低跳变)。
- 比特0:选择 01 信号(前半周期低电平,后半周期高电平),对应曼彻斯特编码的“0”(低→高跳变)。
- 硬件实现:通过数字选择器根据输入比特切换输出信号,生成曼彻斯特码流(每个比特含中间跳变,实现自同步)。
- 核心特性:无直流分量(高低电平时间相等),内置时钟(中间跳变作为同步基准),适合低速通信(如以太网早期标准)。
(二)曼彻斯特解码
- 输入信号:曼彻斯特码流(含连续跳变的电平序列)。
- 解码逻辑:
- 识别跳变模式:
- 若码流为 10(高→低跳变),解码为 1;
- 若码流为 01(低→高跳变),解码为 0;
- 额外输入(00、11)用于处理同步头或边界信号(图中未详述,需结合协议规范)。
- 识别跳变模式:
- 硬件实现:通过数字选择器根据码流的跳变特征,选择对应解码路径,输出原始二进制码流。
- 关键步骤:提取中间跳变作为时钟基准,通过电平变化反推比特值,恢复数据。
(三)图形映射关系
- 编码图:
二进制比特 → 数字选择器(1→10,0→01) → 曼彻斯特码流,体现比特到跳变模式的映射。 - 解码图:
曼彻斯特码流 → 数字选择器(10→1,01→0,其他处理同步) → 二进制码流,体现跳变模式到比特的反推。
四、曼彻斯特编码波形图的绘制方法
(一)手工绘制步骤
- 首先,确定横轴为时间轴,纵轴为电平幅度。
- 可以用厘米为单位划分时间轴,每个单位代表一个比特周期。
- 纵轴分为高电平和低电平两个区域,通常用 + 5V 表示高电平,0V 表示低电平。
- 绘制时钟基准:在时间轴上,每个比特周期的中间位置画一条垂直虚线,作为跳变的参考线。
- 编码绘制:对于标准曼彻斯特编码,当表示 “1” 时,在比特周期的前半部分绘制高电平直线,到中间跳变线处向下画垂直线到低电平,后半部分绘制低电平直线;当表示 “0” 时,前半部分绘制低电平直线,中间跳变线处向上画垂直线到高电平,后半部分绘制高电平直线。
- 标注数据:在波形图的上方或下方,对应每个比特周期标注对应的二进制数据 “1” 或 “0”,以便清晰地看出编码与数据的对应关系。
(二)使用软件绘制推荐
如果需要更精确、美观的波形图,可以使用专业的绘图软件或工具:
MATLAB/Octave:通过编程可以精确绘制曼彻斯特编码波形,设置不同的参数,如采样率、电平幅度等,还能方便地展示不同二进制序列的编码结果。
Python 的 Matplotlib 库:利用 Python 的绘图功能,编写简单的代码即可生成高质量的曼彻斯特编码波形图,并且可以灵活地调整图形的样式、颜色、标签等元素。
Visio:作为专业的绘图软件,Visio 提供了丰富的绘图工具,通过手动绘制直线和跳变,可以直观地呈现曼彻斯特编码的波形,适合不需要编程的场景。
电路仿真软件:如 Multisim、LTspice 等,这些软件不仅可以绘制波形,还能模拟曼彻斯特编码在电路中的传输过程,帮助理解其电气特性。
五、曼彻斯特编码的应用场景
(一)计算机网络领域
以太网:在早期的以太网标准中,如 10BASE-T(10Mbps 以太网),曼彻斯特编码被广泛应用。它为以太网的数据传输提供了可靠的同步机制,确保了在共享介质上数据传输的准确性。虽然随着以太网技术的发展,更高速度的以太网采用了不同的编码方式,但曼彻斯特编码在以太网的发展历程中占据了重要地位。
令牌环网:令牌环网是一种早期的局域网技术,它也使用曼彻斯特编码来传输数据。在令牌环网中,数据沿着环依次传递,曼彻斯特编码的自同步特性保证了数据在环上传输时的时钟同步,避免了因时钟偏差导致的数据错误。
(二)射频识别(RFID)领域
低频(LF)和高频(HF)RFID 标签:许多低频(如 125kHz)和高频(如 13.56MHz)的 RFID 系统采用曼彻斯特编码。例如,ISO 11784/85 标准定义的动物识别 RFID 标签就使用了曼彻斯特编码。在 RFID 应用中,标签与读卡器之间的通信距离通常较短,曼彻斯特编码的无直流分量特性非常适合这种近距离的感应耦合通信,它避免了直流分量可能导致的耦合线圈饱和问题,保证了信号的有效传输。
某些特定的 RFID 协议:除了上述标准,还有一些其他的 RFID 协议也选择了曼彻斯特编码,因为它能在有限的带宽和能量条件下,提供稳定的数据传输,满足 RFID 标签低功耗、低成本的要求。
(三)工业控制与自动化领域
在一些工业控制场景中,尤其是对数据传输可靠性要求较高的环境下,曼彻斯特编码也有应用。例如,在某些现场总线系统中,为了确保控制信号和数据的准确传输,避免因时钟同步问题导致的设备误动作,采用曼彻斯特编码来传输数据。工业环境中存在较多的电磁干扰,曼彻斯特编码的自同步特性和无直流分量特点,使其在这种恶劣环境下具有一定的优势。
(四)其他领域
除了上述主要应用场景,曼彻斯特编码还在一些其他领域得到应用。例如,在某些串行通信接口中,当对同步要求较高且传输速率不是特别高时,会考虑使用曼彻斯特编码;在一些测量仪器和设备中,为了保证数据采集和传输的准确性,也可能采用这种编码方式。
六、曼彻斯特编码的优缺点分析
(一)优点
自同步特性:这是曼彻斯特编码最显著的优点之一。由于每个比特中间都有跳变,接收端可以直接从数据信号中提取时钟信息,无需额外的时钟线路或同步信号,大大简化了通信系统的设计,提高了系统的可靠性和抗干扰能力。在没有独立时钟信号的情况下,这种自同步能力确保了数据能够被准确接收和解析。
无直流分量:曼彻斯特编码中,每个比特周期内的高电平和低电平持续时间相等,因此整个信号的直流分量为零。这一特性在很多场景中非常重要,例如在通过变压器耦合的传输介质中,直流分量会导致变压器饱和,影响信号传输,而曼彻斯特编码避免了这一问题。同时,无直流分量也有利于信号在长距离传输中的稳定性,减少了因直流偏移导致的信号失真。
抗干扰能力较强:由于每个比特都有跳变,使得曼彻斯特编码对某些类型的噪声具有一定的抵抗能力。例如,对于持续时间较短的脉冲噪声,可能只会影响一个比特中间的跳变,但由于每个比特都有独立的跳变作为参考,接收端可以通过前后信号的对比来判断是否发生了错误,从而提高了数据传输的可靠性。
编码规则简单:曼彻斯特编码的规则相对简单,无论是编码还是解码过程,在硬件和软件实现上都不算复杂。这使得它在一些对成本和复杂度敏感的应用场景中具有优势,例如低成本的 RFID 标签、简单的工业控制设备等。
(二)缺点
编码效率低:曼彻斯特编码的一个主要缺点是编码效率只有 50%。因为每个比特需要两次电平状态的变化(一个跳变),所以传输同样的数据量,曼彻斯特编码需要的带宽是原始数据带宽的两倍。这在对带宽要求较高的高速通信场景中是一个很大的限制,例如在现代高速以太网(如 100Mbps 及以上)中,就不再使用曼彻斯特编码,而是采用了效率更高的编码方式。
对传输带宽要求高:由于编码效率低,曼彻斯特编码需要更宽的传输带宽。这不仅增加了通信系统的成本,还可能受到现有传输介质带宽的限制。在一些带宽资源有限的场景中,使用曼彻斯特编码可能无法满足数据传输速率的要求,需要寻找其他更高效的编码方式。
不适合高速数据传输:基于上述带宽的限制,曼彻斯特编码不适合高速数据传输场景。随着信息技术的发展,数据传输速率不断提高,曼彻斯特编码在高速领域的应用逐渐被其他编码方式所取代。例如,在千兆以太网中,采用了 8B/10B 编码等效率更高的编码技术。
信号跳变频繁:每个比特都有跳变,导致信号跳变频繁,这在某些情况下可能会带来问题。例如,在电磁兼容性(EMC)要求较高的环境中,频繁的信号跳变可能会产生更多的电磁辐射,需要采取额外的措施来满足 EMC 标准,增加了系统的复杂度和成本。
七、曼彻斯特编码与其他编码方式的对比
(一)与不归零码(NRZ)的对比
不归零码是一种简单的编码方式,它用高电平表示逻辑 “1”,低电平表示逻辑 “0”,在整个比特周期内电平保持不变。与曼彻斯特编码相比,NRZ 的主要优点是编码效率高,达到 100%,因为每个比特周期只需要一个电平状态来表示数据,所需带宽较小,适合高速数据传输。
但 NRZ 的缺点也很明显,它没有自同步能力。如果传输的是连续的 “1” 或 “0”,信号中就没有跳变,接收端无法从信号中提取时钟信息,会导致时钟同步丢失,数据无法正确解析。此外,NRZ 信号可能存在直流分量,这在某些传输介质中是不允许的。
而曼彻斯特编码虽然效率低,但具有自同步和无直流分量的优势,适合对同步要求高、带宽允许的场景。
(二)与差分编码的对比
差分编码是一种利用相邻信号的差异来表示数据的编码方式,如差分曼彻斯特编码就是其中的一种。与标准曼彻斯特编码相比,差分曼彻斯特编码在抗干扰方面有一定的优势,因为它关注的是跳变的有无,而不是方向,减少了因噪声导致方向判断错误的可能性。
然而,差分曼彻斯特编码的编码效率同样为 50%,与标准曼彻斯特编码相同,也存在带宽要求高的问题。两者的选择通常取决于具体的应用场景对抗干扰能力和编码实现复杂度的要求。
(三)与其他同步编码的对比
在同步编码中,还有一些其他的编码方式,如 4B/5B 编码、8B/10B 编码等,这些编码方式主要用于高速数据传输场景,如光纤通信、高速以太网等。它们的编码效率相对较高,例如 8B/10B 编码的效率为 80%,在保证一定同步能力的同时,提高了带宽利用率。
与这些编码方式相比,曼彻斯特编码的效率明显较低,但在一些低速、对同步要求高且带宽不是主要限制因素的场景中,仍然具有不可替代的优势。
八、总结
曼彻斯特编码作为一种具有自同步特性的编码技术,在数字通信和密码学领域具有重要的地位。它通过每个比特中间的电平跳变来表示数据和提供时钟同步,解决了数据传输中的同步难题,同时具有无直流分量、抗干扰能力较强等优点。
在应用方面,曼彻斯特编码广泛应用于以太网、RFID、工业控制等领域,为这些场景的数据传输提供了可靠的保障。然而,其编码效率低、对带宽要求高的缺点也限制了它在高速数据传输场景中的应用。
通过对曼彻斯特编码的原理、规则、图形、应用及优缺点的详细分析,我们可以更全面地理解这一编码技术的特点和适用范围。在实际应用中,应根据具体的需求和场景,合理选择编码方式,以达到最佳的数据传输效果。随着技术的不断发展,虽然曼彻斯特编码在一些高速领域的应用逐渐减少,但它在特定场景中的价值依然不可忽视,其自同步和无直流分量的设计思想也为其他编码技术的发展提供了有益的借鉴。*
结语
思维的碰撞,往往诞生于一场积极的交流;智慧的火花,常在热烈的讨论中闪耀。如果您在这片文字的海洋里,找到了共鸣或产生了独特的见解,不妨在评论区留下您的声音。我珍视每一位读者的思考,期待与您一同构建一个充满活力的思想社区。
同时,为了不错过更多精彩内容和深度交流的机会,也欢迎大家加入我:
无论是评论区的畅所欲言,还是在各个平台上与我们并肩同行,都将是推动我不断前行的动力。ByteWyrm,因您的参与而更加精彩!
- Thanks for your appreciation. / 感谢您的赞赏

















